真空断路器系列
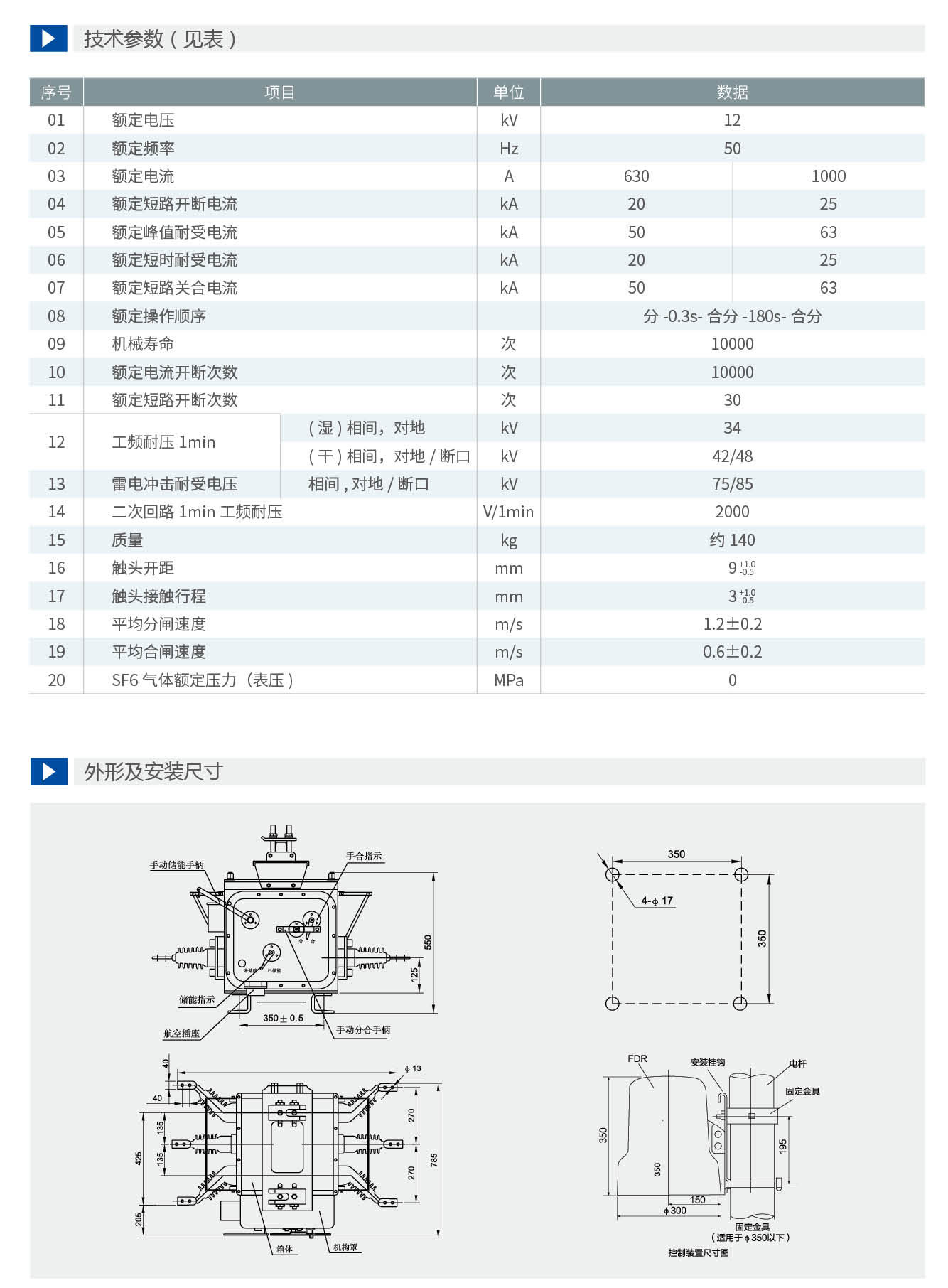
ZW20-12F系列户外高压交流分界真空断路器
上海昊变电力设备有限公司是一家主要从事高压成套生产及销售与维护的高科技企业。公司销售的主要产品有:户外环网柜/分支箱、预装式变电站、XGN15系列环网开关柜、KYN28A一12(Z)系列铠装移开式交流金属封闭开关设备、HBRM6-12全绝缘全封闭、HBRM6-12环保型固体绝缘柜等。
ZW20-12F系列户外高压交流分界真空断路器
Product Information
产品信息


Related Products
相关产品
Copyright © 上海昊变电力设备有限公司 All Rights Reserved. 备案号:沪ICP备2024093718号

158-5857-3952

(联系电话 7×24)